生产设备 | 企业文化 | 人才招聘 | 起重电机信息

所有产品

              起重及冶金用电动机
              辊道用电动机
              防爆电机

 
当前位置:首页 > 起重电机信息
 

如何实现无刷直流永磁电动机正反转

发布时间:2018-05-08 22:50:00 点击:    

 
 
无刷直流永磁电动机实现正反转方法

无刷直流永磁电动机实现正反转的方法有两种:

● 装置两套转子位置传感器。

无锡伯顿起重电机讯 2018年5月8日讯  采用一套转子位置传感器,借助逻辑电路改变功率开关晶体管的导通顺序,从而实现电动机的正反转。

可以这么说,由转子位置传感器控制的功率开关晶体管导通顺序,确定无刷直流永磁电动机电枢磁势矢量究竟往哪个方向转,也就决定了电动机的转向,还真不是电源极性所能确定得了的,加载到无刷直流永磁电动机电枢绕组上的电源极性原本就是不断交变的。


有刷直流永磁电动机正反转原理

为便于分析无刷直流永磁电动机正反转原理,这里先对有刷永磁直流电动机正反转问题进行讨论。

图1给出了有刷永磁直流电动机正反转原理。图1(a)中磁极下电枢电流分布情况下,利用左手定则或比奥·萨乏定律可知,电枢将按顺时针方向转动。如果改变电枢电流方向,使其产生的电枢磁场与图1(a)中的方向相反,即转过去180o电角度,如图1(b)所示,则电枢将按逆时针方向转动。若保持图1(b)中的电枢电流的方向不变,而把定子磁场旋转180o电角度,如图1(c)所示,则电枢又将按照顺时针方向转动。


图1

基于以上分析,可以得出结论:对于有刷永磁直流电动机而言,定转子磁场中,只要有一个磁场且只能有一个磁场,若相对原磁场的方向旋转180o电角度,则电动机就改变其转动方向。所以,在有刷永磁直流电动机中,改变电源电压的极性,就可以改变电枢电流的方向,从而改变其转动方向,实现正反转其实际接线如图2所示。


起重电机,伯顿起重电机,YZR起重电机,起重设备,YZB起重电机

图 2

无刷直流永磁电动机如何正反转?

无刷直流永磁电动机的正反转不能通过改变电源电压的极性来实现,然而它正反转的原理与有刷永磁直流电动机相同。图3表示了在旋转过程中,一台四相星形无刷直流永磁电动机定转子磁场之间的相互关系。每相绕组导通角为90o电角度,其相应的驱动信号如图4所示。


图 3

在图3中,我们可以看到:

1) 当t=t1,U相绕组通电,电流方向和转子永磁体的位置如图3(a)中状态所示,永磁体转子按顺时针方向转动。如果此时换成W相绕组通电,则定子磁场就相对图3(a)状态旋转过180o电角度,如图3(a’)中状态所示,永磁体转子便逆时针方向转动。

2) 当t=t2时,V相绕组通电,永磁体转子按顺时针方向转动,如图3(b)中状态所示。如果此时换成图3(a’)逆时针转至图3(b’)中状态,则定子磁场就相对图3(b)状态同方向,此时永磁体转子磁场相差180o电角度,转子继续按逆时针方向转动。


图 4

3)当t=t3时,W相绕组通电,永磁体转子按顺时针方向转动,如图3(c)中状态所示。如果此时换成图3(b’)逆时针转至图3(c’)中状态,U相绕组通电,则定子磁场就相对如图3(c)状态旋转过180o电角度,如图3(c’)中状态所示,转子便按逆时针方向转动。

4)当t=t4,X相绕组通电,永磁体转子按顺时针方向转动,如图3(d)中状态所示。如果此时换成图3(c’)逆时针转至图3(d’)中状态,则定子磁场就相对图3(d)状态同方向,此时永磁体转子磁场相差180o电角度,转子继续按逆时针方向转动。


图 5

由上面的分析可以看到:当无刷直流永磁电动机电枢绕组的通电状态按(a)-(b)-(c)-(d) -(a)顺序连续变化时,永磁体转子便按顺时针方向转动;如果电枢绕组的通电状态按(a’)-(b’)-(c’)-(d’) -(a’)顺序连续变化时,则永磁体转子就按逆时针方向转动。比较状态(a)和(a’),(b)和(b’),(c)和(c’),(d)和(d’),可以发现它们之间的差别仅在于:要么反转电动机的定子磁场与正转电动机的定子磁场之间相差180o电角度,要么反转电动机的永磁体转子磁场与正转电动机的永磁体转子磁场之间相差180o电角度。这与有刷直流永磁电动机实现正反转的原理是一致的。


图6

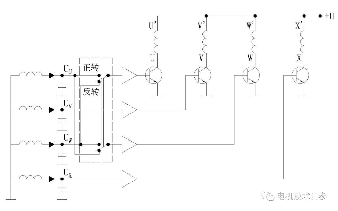
无刷直流永磁电机正反转控制原理图

如何实现图3所示状态无刷直流永磁电动机电枢绕组的通电状态按(a)-(b)-(c)-(d) -(a)顺序连续变化到按(a’)-(b’)-(c’)-(d’) -(a’)顺序连续变化转换呢?电动机电枢绕组的通电是借助驱动信号来控制的,当电动机按顺时针方向转动时,其相绕组U、V、W、X分别与驱动信号UU、UV、UW、UX—一对应,我们需要按下列步骤变更驱动信号的驱动对象,以实现控制无刷永磁同步电动机反转或逆时针旋转。


● 初始状态

在本应是U相绕组通电的转子位置上,不让U相绕组通电,而让W相绕组通电,也就是在此刻把驱动信号Uu去驱动W相绕组,使W相绕组通电,便实现了由状态(a)到(a’)的切换。

● 转过90o电角度

此时顺时针与逆时针旋转的转子磁极转向相反方向,即转子磁场互差180o电角度,定子电枢磁场同方向才能使逆时针旋转的转子磁极旋转的磁极继续逆时针方向旋转。故同为UV去驱动V相绕组,使V相绕组通电,实现了由状态(b)到(b’)的切换。


图8

● 转过180o电角度

此时顺时针与逆时针旋转的转子磁极转向同方向,即转子磁场同与初始状态互差180o电角度,在本应是W相绕组通电的转子位置上,不让W相绕组通电,而让U相绕组通电,也就是在此刻把驱动信号UW去驱动U相绕组,使U相绕组通电,便实现了由状态(c)到(c’)的切换。

● 转过270o电角度

此时顺时针与逆时针旋转的转子磁极又转向相反方向,即转子磁场互差180o电角度,定子电枢磁场同方向才能使逆时针旋转的转子磁极旋转的磁极继续逆时针方向旋转。故同为UX去驱动X相绕组,使X相绕组通电,实现了由状态(d)到(d’)的切换。


图 9

● 转过360o电角度

回到初始状态,重复上述过程。

采用接触式或无接触式联动开关就可以完成(a)-(b)-(c)-(d) -(a)顺序连续变化到按(a’)-(b’)-(c’)-(d’) -(a’)顺序连续变化切换,从而实现了电动机由顺时针方向转动到逆时针方向转动的变换。图5是它的原理图,图中方块1为联动开关。

 
  • 上一篇:电机轴承过热的原因及处理方法
  •  
     
    相关产品 更多产品>>
     
     
    起重电机新闻 更多新闻>>
     
    如何实现无刷直流永磁电动机正反转 2018-05-08
    电机轴承过热的原因及处理方法 2018-05-07
    电机常用的安装方式及其代号 2018-05-07
    电机如何适应变频起动新潮流 2018-05-06
    电机温度保护传感器 TF TH KTY 有哪些区别 2018-05-06
    电机的能耗等级分为几级,能效如何划分 2018-05-04
    客户常问的这些问题,搞电机的必须要知道 2018-05-04
    浅谈智能工业电机和异步电机的区别 2018-05-03
    较全防爆电机故障诊断及处理方案 2018-05-03
    4种直流电机控制电路详解 2018-05-02
    何为步进电机的“失步” 2018-05-02
    电机振动的原因分析及判断 2018-05-01
    电机的51个知识 2018-05-01
    Y2系列电机轴承型号大全 2018-04-29
    电机的振动、温升标准及轴瓦间隙、串动标准 2018-04-29
     


    专业起重电机起重变频电机生产商-无锡伯顿电机有限公司

    返回首页 | 关于我们 | 产品展示 | 荣誉资质 | 生产设备 | 企业文化 | 联系我们 | 起重电机信息 | 人才招聘 | 网站地图
    Copyright © 2012 无锡伯顿电机有限公司, Inc. 苏ICP备12019556号-1
    网页关键词:
    起重电机起重变频电机,电机
    友情链接:西安格力空调售后电话   防风抑尘网   道路护栏   西安美的空调售后电话   机械水表   平衡机   聚脲   不锈钢棒材   撕碎机   除尘器设备   无锡折弯机   起重机车轮   油压冲床   磁悬浮轴承   护套   石家庄婚纱摄影   联赢激光   热轧滑轮   防火门   微型电动葫芦   钙铁锌硒检测仪   垃圾处理器   机械剪板机   工业冷水机组   剪板机   电梯厂家   不锈钢反应锅   上海喷码机   数控折弯机   校平机   电动蝶阀   平开门电机   废旧轮胎胶粉设备